○指宿市使用燃料取扱要綱
平成18年3月31日
告示第101号
(趣旨)
第1条 この告示は,市の施設等で使用する燃料(燃料給油カードで支払う場合を除く。以下「燃料」という。)について,燃料購入を効率的に行うことにより,公務遂行の迅速化を図ることを目的として,その取扱いに関し必要な事項を定めるものとする。
(令6告示51・一部改正)
(取扱燃料の種類)
第2条 この告示で取り扱う燃料は,別表で定めるものとする。
(納入の資格)
第3条 燃料を納入できる者は,次の各号の全てに該当する者で,市に納入業者として登録されたもの(以下「納入業者」という。)とする。
(1) 揮発油等の品質の確保等に関する法律(昭和51年法律第88号)第3条の規定による登録を受けている者
(2) 市内において石油製品を販売し,かつ,販売のための給油所を有している者
(3) 市税に滞納がない者
(平19告示20・平22告示12・令6告示51・一部改正)
(納入業者の登録)
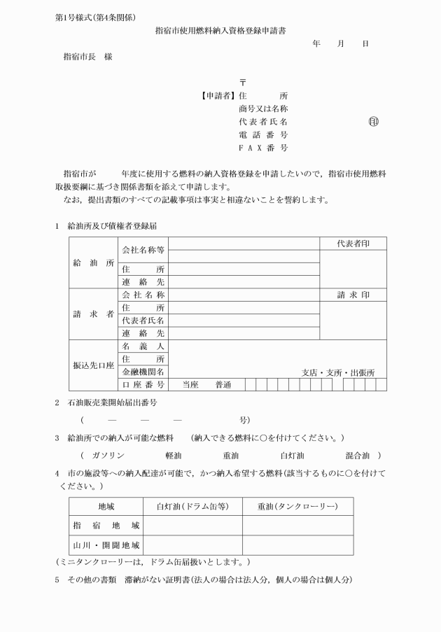
第4条 納入業者としての登録は,当該年度において,指宿市使用燃料納入業者登録申請書(第1号様式)により,給油所ごとに市長に申請しなければならない。
(平19告示20・一部改正)
(給油所で給油する燃料の納入価格)
第5条 給油所で給油する燃料の納入価格については,納入業者が店頭で販売する価格(以下「販売価格」という。)とする。
(平19告示20・全改,令6告示51・一部改正)
(協定の締結)
第6条 納入業者のうち,前条に規定する額で燃料を納入しようとする者は,あらかじめ市と納入協定を締結しなければならない。
(平19告示20・旧第7条繰上・一部改正,令6告示51・一部改正)
(販売価格の通知)
第7条 前条の規定により納入協定を締結した納入業者は,協定を締結した後に市から販売価格の提示を求められたときは,速やかに販売価格を市長に通知しなければならない。
(平19告示20・追加,令6告示51・一部改正)
(配達による納入)
第8条 配達による燃料の納入については,納入業者のうちから,入札又は随意契約の方法により納入業者を決定し,購入するものとする。
(平19告示20・旧第9条繰上)
(取扱窓口)
第9条 燃料に関する取扱窓口は,総務部財政課とする。
(平19告示20・追加,平20告示27・一部改正)
(費用の予算計上)
第10条 燃料を使用する財産を管理する課等(以下「管理主管課」という。)は,必要な費用を予算に計上するものとする。
(平19告示20・旧第12条繰上,令6告示51・一部改正)
(給油所で給油する燃料の購入方法)
第11条 給油所で燃料を購入する場合は,指宿市予算規則(平成18年指宿市規則第37号)及び指宿市契約規則(平成18年指宿市規則第44号)の規定により行うものとする。
(平19告示20・追加)
(配達による燃料の購入方法)
第12条 配達により燃料を購入する場合は,燃料購入のための伝票(以下「購入伝票」という。)により行うものとする。
(平19告示20・旧第13条繰上・一部改正)
(配達による燃料の購入手続)
第13条 配達により燃料を購入しようとする者は,管理主管課の決裁権者から購入伝票の燃料発注伺書(第3号様式の1)の決裁を受けるものとする。
2 決裁が終了したときは,燃料発注書(第3号様式の2)により市と納入協定を締結している納入業者へ発注するものとする。
3 購入が完了したときは,その納入業者が発行した請求書を受け取るものとする。
(平19告示20・旧第14条繰上・一部改正,令5告示4・一部改正)
(配達による燃料代の支払手続)
第14条 燃料代の支払手続担当者は,請求書に記載のある給油所の債権者と当該請求に係る決裁済の燃料発注伺書を照合の上,代金支出の手続を行うものとする。
(平19告示20・旧第15条繰上・一部改正,令5告示4・一部改正)
(登録の取消し)
第15条 市長は,第3条に規定する資格が無くなったとき,又は納入業者として適当でないと認めたときは,納入業者の登録を取り消すものとする。
(平19告示20・旧第16条繰上・一部改正)
(その他)
第16条 この告示に定めるもののほか,市が使用する燃料に関し必要な事項は,その都度市長が定める。
(平19告示20・旧第17条繰上)
附則
この告示は,平成18年4月1日から施行する。
附則(平成19年3月30日告示第20号)
この告示は,平成19年4月1日から施行する。
附則(平成20年3月27日告示第27号)抄
(施行期日)
1 この告示は,平成20年4月1日から施行する。
附則(平成22年2月18日告示第12号)
この告示は,平成22年2月18日から施行する。
附則(平成22年9月2日告示第103号)
この告示は,平成22年10月1日から施行する。
附則(令和5年1月13日告示第4号)
この告示は,令和5年4月1日から施行する。
附則(令和6年3月29日告示第51号)
(施行期日)
1 この告示は,令和6年4月1日から施行する。
(経過措置)
2 改正後の指宿市使用燃料取扱要綱第5条の規定は,この告示の施行の日以後に給油した燃料の価格について適用し,同日前に給油した燃料の価格については,なお従前の例による。
別表(第2条関係)
(令6告示51・一部改正)
取扱燃料
燃料の種類 | 使用目的 |
ガソリン | 発電機等 |
軽油 | 発電機等 |
重油 | 冷暖房器具,ボイラー等 |
白灯油 | 冷暖房器具,ボイラー等 |
混合油 | 草刈機器等 |
(平22告示103・全改,令6告示51・一部改正)

(平22告示103・全改,令6告示51・一部改正)

(平19告示20・令6告示51・一部改正)

(平19告示20・令6告示51・一部改正)

(平19告示20・追加)
